吊り具のメーカー日成エンジニアリングでは、吊り治具の設計製作を行っております。
吊り具のメーカー日成エンジニアリングでは、
吊り治具の設計製作を行っております。
製品案内
会社案内
新着情報
採用情報
お問い合わせ
製品案内
製品カテゴリから探す
運搬・積み下ろし
運搬・積み下ろし
施工・工具
施工・工具
天秤・吊り天秤他
天秤・吊り天秤他
フォークリフト吊り具他
フォークリフト吊り具他
脱型・場内移動・製造
脱型・場内移動・製造
反転機・反転作業
反転機・反転作業
剥離剤塗布・清掃
剥離剤塗布・清掃
その他の製品・特注品
その他の製品・特注品
製品一覧
その他
会社案内
新着情報
採用情報
お問い合わせ
プライバシーポリシー
製品案内
ホーム
製品案内
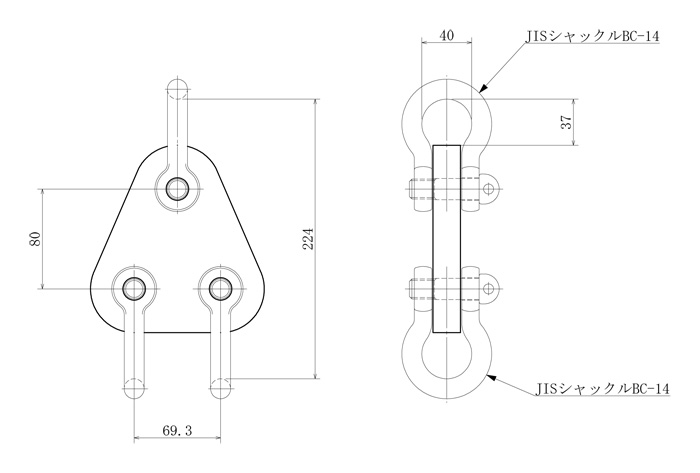
吊り天秤 BT-1T-S
軽量安価で優れた作業性を発揮します。
また、ピッチ調整も可能です。
バランス吊りに最適 ※吊り角度60°以内で使用
製品情報
型番
BT-1T-S
吊荷重
1000kg
吊巾
※吊り角度60°以内
塗装色
イエロー
図面