フォークリフト用吊りフック FRF-3000
重量物の吊り上げに優れた作業性を発揮します。
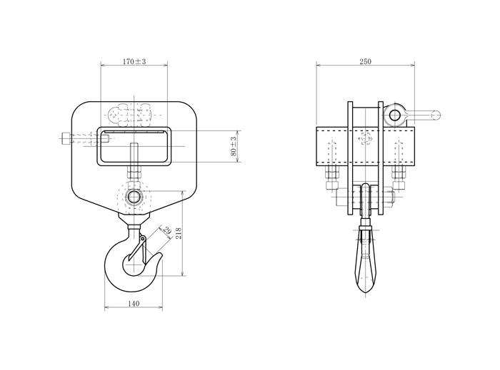
また、回転式タイプのフック使用しております。
(フレコンバック等)
※この商品は2台1組で使用します。出荷単位は2台です。
単価は1台あたりの表示となります。
単価×2台=合計金額となります。
- 製品情報
-
- 型番
- FRF-3000
- 吊荷重
- 3000kg×2
- 自重
- 約29kg
- 塗装色
- イエロー
図面
