吊り具のメーカー日成エンジニアリングでは、吊り治具の設計製作を行っております。
吊り具のメーカー日成エンジニアリングでは、
吊り治具の設計製作を行っております。
製品案内
会社案内
新着情報
採用情報
お問い合わせ
製品案内
製品カテゴリから探す
運搬・積み下ろし
運搬・積み下ろし
施工・工具
施工・工具
天秤・吊り天秤他
天秤・吊り天秤他
フォークリフト吊り具他
フォークリフト吊り具他
脱型・場内移動・製造
脱型・場内移動・製造
反転機・反転作業
反転機・反転作業
剥離剤塗布・清掃
剥離剤塗布・清掃
その他の製品・特注品
その他の製品・特注品
製品一覧
その他
会社案内
新着情報
採用情報
お問い合わせ
プライバシーポリシー
製品案内
ホーム
製品案内
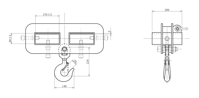
フォークリフト用吊りフック FRF-3000W
重量物の吊り上げに優れた作業性を発揮します。
また、回転式タイプのフック使用しております。
バランス吊りに最適
製品情報
型番
FRF-3000W
吊荷重
3000kg
自重
約35kg
塗装色
イエロー
図面